Автоматический выключатель дифференциального тока DEKraft ДИФ103-6кА-1N-16А-10-C (1Р+N, 16 А, характеристика C, 10 мА, 6 кА, тип АС)
Автоматические выключатели дифференциального тока сочетают функции автоматического выключателя и УЗО (ВДТ).
Обеспечивают три вида защиты: от короткого замыкания, перегрузки и возникновения утечки тока, в частности, вследствие прикосновения человека к токоведущим частям.
АВДТ DEKraft серии ДИФ-103 с отключающей способностью 6 кА применяются в одно- и трехфазных сетях.
Применяются в общественных, административных, производственных, промышленных и других помещениях.
Устанавливаются во вводно- распределительных устройствах (ВРУ), главных распределительных щитах (ГРЩ), осветительных и силовых установках.
Размеры

Конструкция и материалы
- В конструкцию АВДТ входят автоматический выключатель и дифференциальный блок электронного типа.
Автоматический выключатель состоит из электромагнитного и теплового расцепителей, обеспечивающих защиту от сверхтоков перегрузки и короткого замыкания, и расцепляющего устройства с дугогасительной камерой.
- Материал корпуса: пластик, не поддерживающий горение.
- Нет возможности установки дополнительного оборудования.
Технические характеристики
| Артикул | 16200DEK |
| Тип изделия | автоматический выключатель дифференциального тока |
| Тип устройства | электронный |
| Количество и тип полюсов | 1P+N |
| Модульная ширина (шаг 18 мм) | 2 |
| Номинальное рабочее напряжение Un, В | АС 240 |
| Номинальная частота сети, Гц | 50 / 60 |
| Номинальный ток In, А | 16 |
| Номинальный отключающий дифференциальный ток IΔn, мА | 10 |
| Тип дифференциального расцепителя | АС |
| Номинальный неотключающий дифференциальный ток IΔno, мА | 0,5 IΔn |
| Номинальная включающая и отключающая способность IΔm, А | 500 |
| Время отключения (срабатывания) при IΔn, с. | ≤0,1 |
| Номинальная наибольшая отключающая способность Icn, А | 6000 |
| Кривая отключения (диапазон токов мгновенного расцепления) | C |
| Номинальное импульсное выдерживаемое напряжение Uimp, B | 4000 |
| Номинальное напряжение по изоляции Ui, В | 500 |
| Механическая износостойкость, не менее, циклов В-О | 10000 |
| Электрическая износостойкость, не менее, циклов В-О | 4000 |
| Диапазон рабочих температур, °С | -25... +40 |
| Степень защиты от пыли и влаги | IP20 (открытый аппарат) / IP40 (аппарат в корпусе) |
| Степень загрязнения | 2 |
| Способ крепления | на DIN-рейку 35 мм |
| Рабочее положение в пространстве | вертикальное с отклонением в любую сторону до 10° |
| Подключение нагрузки | только снизу |
| Максимальное сечение подключаемого провода, кв.мм | 25 |
| Предельное усилие затяжки клеммных зажимов, Н*м | 2 |
| Срок службы, лет | 20 |
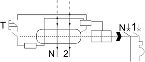
Схемы
Схема электрическая:

Схема работы АВДТ:

Принцип работы АВДТ 1P+N: два проводника.
Времятоковые характеристики

Преимущества
- Доставка по всей России
- Более 200 000 товаров в ассортименте
- Профессиональная консультация
- Кабель БЕЗ опасности
- Качество по ГОСТу
|
Бренд
|
DEKraft |
|
СрокГарантии, мес
|
18 |
|
Количество полюсов
|
2 |
|
Марка изделия
|
ДИФ-103 |
|
Модульная ширина (общее кол-во модульных расстояний)
|
2 |
|
Номинальная отключающая способность, кА
|
6 |
|
Номинальный ток утечки, мА
|
10 |
|
Номинальный ток, А
|
16 |
|
Тип тока утечки
|
AC |
-
Зайдите на страницу товара и нажмите на кнопку «В корзину».
Далее можно продолжить покупки или перейти к оформлению заказа.
-
Перейдите в Корзину и нажмите «Перейти к оформлению».
Можно авторизоваться или оформить заказ без регистрации. Зарегистрированные пользователи могут:
- Отслеживать статус заказа
- Получать спецпредложения и промокоды на дополнительные скидки
- Укажите Ваши контакты: ФИО, телефон и e-mail.
- Выберите способ получения заказа (доставка или пункт самовывоза) и способ оплаты.
- Далее «Оформить заказ».
Готово: ваш заказ создан! По электронной почте или в личном кабинете Вы можете отслеживать статус заказа.
Теперь останется только ждать доставки и радоваться новой покупке!
Оплачивайте покупки удобным способом.
В нашем интернет-магазине доступно 3 варианта оплаты:
- Оплата наличными или картой при самовывозе в пункте выдачи заказов/магазине.
- Онлайн-оплата на сайте при оформлении заказа. Для совершения покупки система перенаправит вас на страницу платежного сервиса. Здесь необходимо заполнить форму по инструкции.
- Оплата по счету для юридических лиц. Оплата происходит после предоставления реквизитов для выставления счета. Покупатель получает счет на указанный e-mail.
Доступно 3 варианта доставки:
- Самовывоз из магазина. Список торговых точек для выбора появится в корзине. Для получения заказа обратитесь к сотруднику в кассовой зоне и назовите номер заказа.
- Доставка транспортной компанией СДЭК или Почтой РФ в отделение или постамат.
По всем возникающим вопросам можете позвонить нам на горячую линию:
Ежедневно с 8:00 до 20:00 по МСК
E-mail: help@kristall43.ru
Адрес: 610000, г. Киров, ул. Щорса, 68г, кабинет 3