Термостат одноканальный NO IEK YCE-TNO-00-60 (0... +60 °С)
Термостат одноканальный NO предназначен для управления вентилятором с целью поддержания заданной температуры и влажности внутри электротехнического шкафа и организации стабильной работы установленного активного оборудования.
По требованиям безопасности соответствует ГОСТ IEC 60947-5-1 и ТР ТС 004/2011.
По требованиям электромагнитной совместимости соответствует ТР ТС 020/2011.
Преимущества
- Широкий диапазон регулировки температуры и влажности при низкой погрешности.
- Простота установки и настройки.
- Высокая коммутационная способность.
- Значительный ресурс работы.
Размеры

Материалы и цвета
| Цвет корпуса | Серый (RAL 7035) |
| Материал корпуса | полиамид 66 (UL94 VO), не поддерживает горение |
| Материал держателя | листовая сталь |
| Материал чувствительного элемента | термобиметаллическая пластина |
Технические характеристики
| Тип контакта | NO*** |
| Тип функциональных переключателей | переключающий контакт |
| Номинальное рабочее напряжение, В | 240 |
| Диапазон регулировки температуры, °C | 0... +60 |
| Максимальная коммутационная способность | АС: 240 В, 10 (2) А**; DC: 30 Вт (при 24 - 72 В) |
| Максимальный пусковой ток, А | 16 (в течение 10 с.) |
| Гистерезис*, К | 7 ± 4 |
| Диапазон рабочих температур, °С | -60... +60 |
| Температура монтажа, °С | -20... +40 |
| Степень защиты от пыли и влаги | IP20 (ГОСТ 14254) |
| Климатическое исполнение и категория размещения | У2.1 (ГОСТ 15150) |
| Тип монтажа | безвинтовое зажимное крепление |
| Класс защиты от поражения электрическим током | II (ГОСТ IEC 61140) |
| Сечение подключаемых проводников, кв.мм | 1,5 - многожильный провод****; 2,5 - одножильный провод |
| Совместимость | Linea N, S, F, W, O |
| Вес изделия, г | 50 |
| Срок службы, не менее, циклов | 100000 |
* Разность значений температур и / или относительной влажности при переключении устройства.
** В скобках указана коммутационная способность в цепи с индуктивной нагрузкой, без скобок - в цепи с резистивной нагрузкой.
*** NO - нормально разомкнутый контакт (замыкается при повышении температуры). Цвет ручки-регулятора - Синий.
**** Должны применяться обжимные наконечники.
Монтаж и эксплуатация
- Установить устройство в электротехнический шкаф на рейку типа ТН35 согласно ГОСТ IEC 60715.
В схемах с приборами охлаждения термостат должен быть расположен в нижней части электротехнического шкафа на максимальном расстоянии от охлаждающих приборов.
- Провести подключение проводников к устройству.
- Установить требуемое значение поддерживаемого параметра.
Для установки значения срабатывания устройства необходимо повернуть ручку-регулятор до совпадения указателя с необходимым значением.
При установке значения срабатывания необходимо учитывать гистерезис устройства.
- При установке температуры на термостате с замыкающим контактом в системе с устройством охлаждения необходимо из требуемой максимальной температуры вычесть максимальное значение гистерезиса.
Например, требуемая максимальная температура внутри шкафа: 40 °С.
Температура, устанавливаемая на регуляторе термостата, определяется: 40-(7+4)=29 °С.
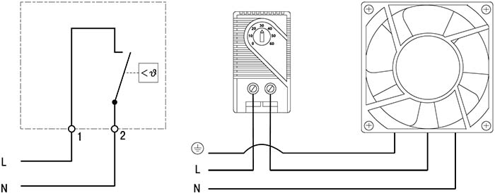
Электрическая схема

Преимущества
- Доставка по всей России
- Более 200 000 товаров в ассортименте
- Профессиональная консультация
- Кабель БЕЗ опасности
- Качество по ГОСТу
-
Зайдите на страницу товара и нажмите на кнопку «В корзину».
Далее можно продолжить покупки или перейти к оформлению заказа.
-
Перейдите в Корзину и нажмите «Перейти к оформлению».
Можно авторизоваться или оформить заказ без регистрации. Зарегистрированные пользователи могут:
- Отслеживать статус заказа
- Получать спецпредложения и промокоды на дополнительные скидки
- Укажите Ваши контакты: ФИО, телефон и e-mail.
- Выберите способ получения заказа (доставка или пункт самовывоза) и способ оплаты.
- Далее «Оформить заказ».
Готово: ваш заказ создан! По электронной почте или в личном кабинете Вы можете отслеживать статус заказа.
Теперь останется только ждать доставки и радоваться новой покупке!
Оплачивайте покупки удобным способом.
В нашем интернет-магазине доступно 3 варианта оплаты:
- Оплата наличными или картой при самовывозе в пункте выдачи заказов/магазине.
- Онлайн-оплата на сайте при оформлении заказа. Для совершения покупки система перенаправит вас на страницу платежного сервиса. Здесь необходимо заполнить форму по инструкции.
- Оплата по счету для юридических лиц. Оплата происходит после предоставления реквизитов для выставления счета. Покупатель получает счет на указанный e-mail.
Доступно 3 варианта доставки:
- Самовывоз из магазина. Список торговых точек для выбора появится в корзине. Для получения заказа обратитесь к сотруднику в кассовой зоне и назовите номер заказа.
- Доставка транспортной компанией СДЭК или Почтой РФ в отделение или постамат.
По всем возникающим вопросам можете позвонить нам на горячую линию:
Ежедневно с 8:00 до 20:00 по МСК
E-mail: help@kristall43.ru
Адрес: 610000, г. Киров, ул. Щорса, 68г, кабинет 3